随着现代建筑保温、建筑幕墙等技术的发展,外墙保温、幕墙结构等外墙形式的复杂性,让墙体渗漏问题变得十分普遍,不仅给人们的日常居住生活带来了很多不便,而且还严重影响了建筑的结构安全。如何做好建筑外墙的防水设计也越发重要。

建筑外墙防水设计包括外墙防水构造设计、防水层材料选择、门窗等节点防水设计,今天我们一起来看看外墙防水构造设计具体是怎么要求的。
外墙构造防水设计
建筑外墙的防水层应设置在迎水面,即在墙体结构的找平层上设置防水层,其中,找平层应设置15厚,防水层应采用5厚~8厚的聚合物水泥防水砂浆。
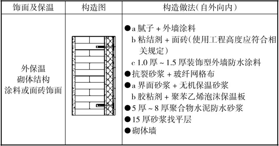
1、砌体结构外墙、框架填充结构外墙的防水设计
① 无外保温外墙防水设计
无保温外墙除设置防水层外,还可以在饰面层选择“腻子+外墙涂料”或“粘接剂+面砖”或“外墙防水涂料”进行设置。其中,外墙防水涂料应设置1.0厚~1.5厚;饰面层也可以采用普通涂料,不过需要在其表面喷涂憎水剂,憎水剂应选用防污性能好、不会产生色差的材料。

△无外保温外墙常用防水设计方案
② 外保温外墙防水设计
外保温外墙还应在保温层外添加一层“抗裂砂浆+玻纤网格布”,防止雨水进入保温层。

△外保温外墙常用防水设计方案
2、幕墙结构外墙防水
① 无保温幕墙防水设计
无保温幕墙的防水层,可以将“5厚~8厚的聚合物水泥防水砂浆”替换为“1.2厚的聚合物水泥防水涂料”或“1.5厚的聚氨酯防水涂料”,具体选用哪种材料可根据实际情况选择。

△幕墙结构外墙常用防水设计方案
② 保温幕墙防水设计
保温幕墙,除了在保温层上设置一层“抗裂砂浆+玻纤网格布”外,还可以通过设置一层“1.2厚聚合物水泥防水涂料”或“1.5厚聚氨酯防水涂料”或“干挂防水透气膜”来加强防水。

△幕墙结构外墙常用防水设计方案
3、其他要求
混凝土梁、柱与砌体的交接处,应采用聚合物水泥防水砂浆增强防水处理,防水砂浆增强层应夹铺耐碱玻璃纤维网格布,玻纤网格布应用铁钉固定在混凝土及砌体表面。防水增强层砂浆厚度不应小于5mm,盖缝宽度每边不应少于150mm。

漏了吗公众号

朗凯奇公众号